Specifiche:
I servomotori della serie BR sono progettati per offrire le più elevate prestazioni dinamiche e trovano il loro impiego in applicazioni quali torni a controllo numerico, servopompe, macchine per la lavorazione metallo, macchine per il legno. L'utilizzo di magneti al Neodimio Ferro Boro a elevato prodotto di energia permette di ottenere motori con potenza specifica elevata in grado di sopportare grandi sovraccarichi senza rischi di smagnetizzazione. Il circuito magnetico è stato studiato per permettere ai motori di produrre una F.e.m. sinusoidale con ripple di coppia ridotti. Le basse inerzie rotoriche garantiscono la possibilità di avere elevate accelerazioni e decelerazioni.
Caratteristiche standard:
• Avvolgimento: trifase a stella senza neutro accessibilel
• Isolamento avvolgimenti: classe H secondo CEI 2-3 (2000)
• Dimensionamento: classe F (dTmax=105K) secondo CEI EN 60034-1 (2000)
• Grado di protezione: IP54 secondo CEI EN 60034-5 (2001))
• Sensore di posizione: resolver 2 poli
• Raffreddamento: IC 410 (motore senza servoventilazione), IC 416 (motore servoventilato) secondo CEI EN 60034-6 (1997))
• Grado di equilibratura: G 2,5 secondo ISO 1940-1 (1993) (equilibratura con mezza chiavetta per gli alberi con chiavetta CEI 2-23 (1993))
• Cuscinetti: lubrificati a vita
• Protezione termica: termoprotettore con contatto normalmente chiuso. Temperatura di intervento 130±5°C. (Tensione massima 250Vac, corrente massima 5Aac)
• Forma costruttiva: IM B5 secondo CEI EN 60034-7 (1993))
• Posizione di servizio: qualunque
• Colore: nero RAL 9005
• Condizioni di riferimento: temperatura ambiente +40°C, altitudine max. 1000m s.l.m.
• Temperatura magazzinaggio: -10°C ÷ +70°C
• Frequenza di switching di riferimento: 8kHz
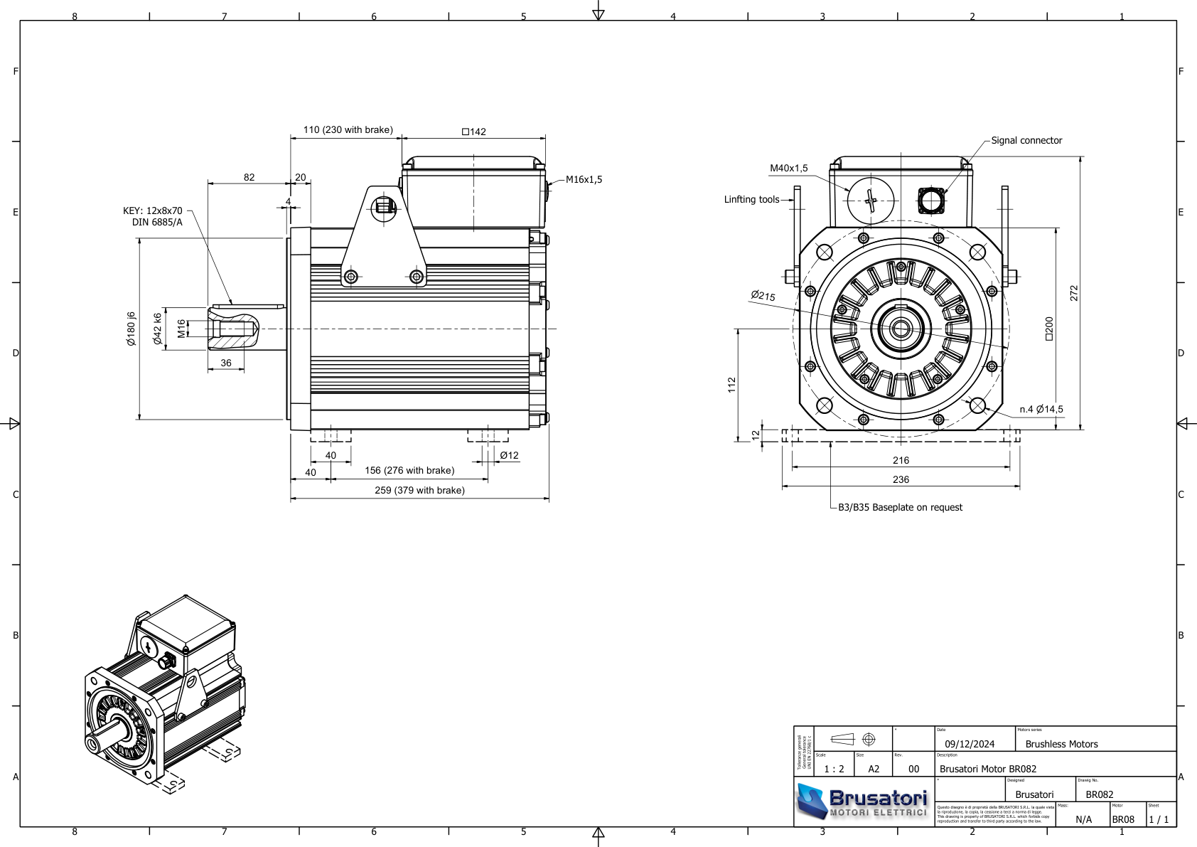
Dimensioni:
Dati elettrici:
| Proprietà | Nome | Unità | Valore |
| Coppia rotore bloccato1) 3) | T0 | Nm | 32.5 |
| Potenza nominale1) | PN | W | 9268 |
| Coppia alla velocità nominale1) | TN | Nm | 29.5 |
| Velocità nominale | nN | rpm | 3000 |
| Coppia di picco 20°C | Tmax | Nm | 88 |
| Corrente alla potenza nominale1) | IN | Arms | 29.5 |
| Corrente rotore bloccato1) 3) | I0 | Arms | 20.2 |
| Corrente di picco | Imax | Arms | 55.1 |
| Momento d'inerzia rotore | Jm | kgcm² | 49 |
| Costante di tensione a 20°C2) | ke | Vs/rad | 1 |
| Costante di coppia a 20°C a rotore bloccato2) | kt | Nm/Arms | 1.68 |
| Coeff. riduzione ke e kt con la temperatura | dk/dt | [%/°C] | -0.11 |
| Resistenza concatenata a 20°C2) | Rc | Ohm | 0.49 |
| Induttanza concatenata a 20°C2) | Lc | mH | 5.3 |
| F.e.m. a 1000 rpm a 20°C2) | V1000 | V/krpm | 105 |
| Tensione nominale1) | Vn | Vrms | 322 |
| Peso | m | kg | 30 |
| Numero di poli | 2p | - | 8 |
I valori di coppia e potenza si riferiscono al motore flangiato in posizione orizzontale (flangia in acciaio 500x500x40 mm). PWM minimo 8kHz, tensione DC bus di prova ≤ 560 Vdc non controllato, testato con resolver
1) Servizio continuativo S1 (dT=105°C)
2) Tolleranza ± 10%
3) Valore riferito a 100 rpm
Curva di coppia:
Ulteriori informazioni:
Scarica il manuale d'uso e manutenzione